SG-P12-040-005-15-HH-52XX-00000
SG-P12-040-005-15-HH-52XX-00000

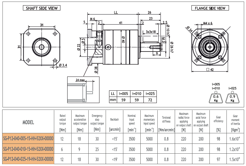
Introduzione

I riduttori proposti da RTA sono tutti caratterizzati da grado di protezione IP64 e sono interamente costruiti e testati in Italia.
L'ampia gamma di riduttori e motori compatibili sempre disponibili a magazzino possono soddisfare le richieste più specifiche con tempi di consegna ridotti.

Caratteristiche Tecniche

SG-P12-040-005-15-HH-52XX-00000 è caratterizzato da una Flangia di montaggio 42 mm., rapporto di riduzione 05 e coppia nominale in uscita di 12 Nm.
Adatto ad essere utilizzato in abbinamento con i seguenti motori stepper SANYO DENKI :

MOTORE STEPPER 103-H5205-0351
MOTORE STEPPER 103-H5205-4240
MOTORE STEPPER 103-H5208-0483
MOTORE STEPPER 103-H5210-4240
MOTORE STEPPER 103-H5210-4541